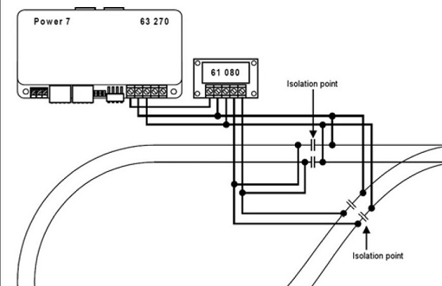
Mais en contre partie, il faudra inverser celle-ci dans les boucles par exemple
La longueur L devant être aussi longue que le plus long des convoi

Le train arrivant au point A ou C par exemple fera basculer L dans la polarité d\'ou arrive le train
Et en sortant de L la polarité passera à l\'identique de celle ou va le train
Du coté des aiguillages et bien la c\'est nickel cette fois
Droit :

Devié :

C\'est bon tout le monde à compris :laugh: :laugh: :laugh: