Nouvel inscrit dans ce forum, mais néanmoins lecteur de RMF et abonné dans les années 1990.
Je me suis remis au train (en N) après de longues années d'interruption.
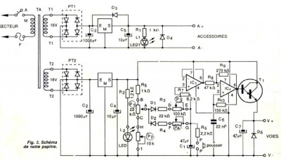
Dans ces années, j'avais trouvé dans la revue les plans d'un régulateur mobile (à relier à un transfo 12-14V) à courant pulsé, qui permettait de bons ralentis, des démarrages/freinages progressifs ajustables, l'inversion marche avant/arrière. Une ampoule de voiture 12V avertissait des court-circuits.
C'était un montage simple : ~ 4 résistances, 3 transistors, 2 condensateurs + 3 potentiomètres, 2 inverseurs, 1 ampoule.
J'en avais fabriqué 3 (qui fonctionnent toujours !), mais je n' ai plus ni les plans ni le n°de RMF (il me semble que c'était une couverture à fond jaune)
Si quelqu'un avait ça, ce serait le bonheur ! ... et bien pratique pour les reproduire en + propre et les réparer !
(schéma de principe, plan d'implantation sur carte veroboard pistée, liste des composants, explications de montage)
Je précise que je suis novice en électronique !
Merci d'avance !






