Re: Une gare cachée d\'un nouveau genre.(suite)

Toutes vos questions ou commentaires concernant l’électronique analogique ...

Modérateurs : Patrice, Arnaud Guyon, Philippe Cousyn, Tibrus

Avatar du membre
Tibrus
Modérateur
Modérateur
Messages : 9828
Enregistré le : 31 mai 2008 08:23
Localisation : Dans mon sous-sol
Epoque(s) : IV, V et VI
Région(s) pratiquée(s) : Un penchant pour Rhone Alpes
Echelle(s) pratiquée(s) : H0
Contact :

Re: Re: Une gare cachée d\'un nouveau genre.(suite)

Message par Tibrus »

Et ben dit donc :smilie:

Vachement hâte de voir cela et si possible en vidéo ;)
Avatar du membre
cc7001
Sybic
Sybic
Messages : 1818
Enregistré le : 09 sept. 2010 15:49
Localisation : rhône
Epoque(s) : III à VI
Région(s) pratiquée(s) : sud est 1500v
Echelle(s) pratiquée(s) : H0
Contact :

Re: Une gare cachée d\'un nouveau genre.(suite)

Message par cc7001 »

Le vrai problème est que tout se passe en gare cachée et j'ai bien peur qu'une vidéo ne soit pas très parlante mais je vais étudier la chose si tout marche comme sur des roulettes.
Je suis un piètre cinéaste mais bon.
Je pense qu'il me faudrait un logiciel simple et gratuit pour faire un montage de plusieurs plans; si par hasard quelqu'un a des pistes ... ;)
Avatar du membre
Tibrus
Modérateur
Modérateur
Messages : 9828
Enregistré le : 31 mai 2008 08:23
Localisation : Dans mon sous-sol
Epoque(s) : IV, V et VI
Région(s) pratiquée(s) : Un penchant pour Rhone Alpes
Echelle(s) pratiquée(s) : H0
Contact :

Re: Re: Une gare cachée d\'un nouveau genre.(suite)

Message par Tibrus »

Ne te casse pas la tête quand même, au mieux je verrais pour passer voir cela de visu :lol: :lol: :lol:

MovieMaker c'est le seul que j'utilise. Certes c'est pas une formule 1 mais pour juste découper et assembler cela me va nickel
Avatar du membre
PK204
Danseuse
Danseuse
Messages : 567
Enregistré le : 21 avr. 2007 21:38
Localisation : Aix les Bains
Epoque(s) : III et IV
Région(s) pratiquée(s) : le PLM
Echelle(s) pratiquée(s) : HO
Contact :

Re: Re: Une gare cachée d\'un nouveau genre.(suite)

Message par PK204 »

+1
Quand j’avais un PC
Mais depuis 10 ans, je suis passé sur Apple et c’est encore plus facile et bien mieux avec IMovie
Avatar du membre
cc7001
Sybic
Sybic
Messages : 1818
Enregistré le : 09 sept. 2010 15:49
Localisation : rhône
Epoque(s) : III à VI
Région(s) pratiquée(s) : sud est 1500v
Echelle(s) pratiquée(s) : H0
Contact :

Re: Une gare cachée d\'un nouveau genre.(suite)

Message par cc7001 »

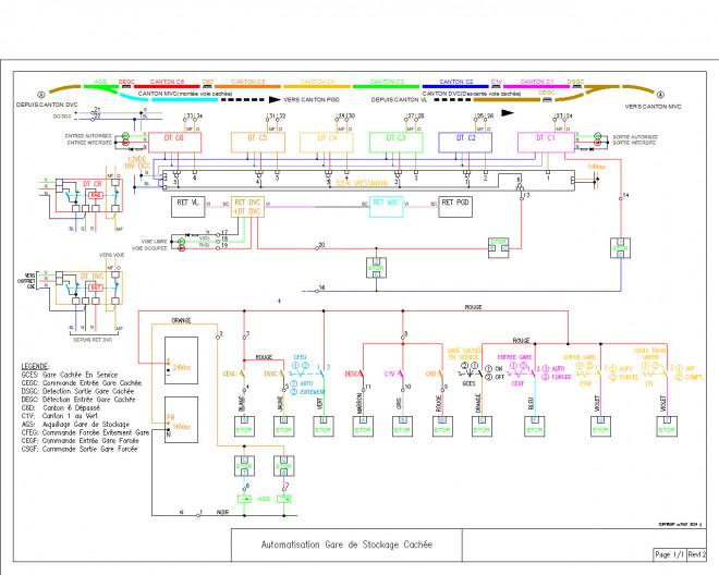
gare stockage cachée rev 12 .jpg
Voilà le schéma avec l'intégration du module zelio. Il est alimenté en 24vcc (non représenté) et on voit les entrées et les sorties (etor et stor).
Comme on peut le voir le câblage n'a plus rien à voir avec le schéma en relayage précédent. C'est l'avantage incomparable d'utiliser ce genre de technologie.
Facile à raccorder et sa programmation est comparable à la création d'un schéma électrique.
Le 24vcc est issu du 14/16v alternatif d'un disjoncta 1500 créé avec un pont de diodes et un condensateur de 1000 microfarads 25v.
Avatar du membre
cc7001
Sybic
Sybic
Messages : 1818
Enregistré le : 09 sept. 2010 15:49
Localisation : rhône
Epoque(s) : III à VI
Région(s) pratiquée(s) : sud est 1500v
Echelle(s) pratiquée(s) : H0
Contact :

Re: Re: Une gare cachée d\'un nouveau genre.(suite)

Message par cc7001 »

IMG_8413.JPG
IMG_8415.JPG
Et voilà l'installation d'origine : la tablette donne la position des trains de 1 à 6 (elle est digitale):D et le tco lui indique les voies alimentées ou pas ; ainsi que les commutateurs de choix.
Evidemment si on rentre les trains sans rien noter ; pas possible de sortir les bestiaux facilement car en digital simple ; si on coupe le jus tous les trains sont stoppés et aucun ne repart à la mise sous tension; il faut donc absolument savoir qui est dans la gare cachée et si on sait l'ordre c'est encore mieux. Et comme ils sont cachés pas facile de savoir quels trains sont en souterrain.
bref si on regarde les photos on voit que le canton 2 est libre et donc que le canton 3 a l'autorisation de faire avancer le train 2347 qui l'occupe.(Le feu vert en 3 indique que rien ne consomme du courant en 2 donc pas de train)
Modifié en dernier par cc7001 le 29 juil. 2024 20:53, modifié 2 fois.
Avatar du membre
Tibrus
Modérateur
Modérateur
Messages : 9828
Enregistré le : 31 mai 2008 08:23
Localisation : Dans mon sous-sol
Epoque(s) : IV, V et VI
Région(s) pratiquée(s) : Un penchant pour Rhone Alpes
Echelle(s) pratiquée(s) : H0
Contact :

Re: Re: Une gare cachée d\'un nouveau genre.(suite)

Message par Tibrus »

Sauf a mettre ces petits modules :smilie:
viewtopic.php?p=212443#p212443
Avatar du membre
cc7001
Sybic
Sybic
Messages : 1818
Enregistré le : 09 sept. 2010 15:49
Localisation : rhône
Epoque(s) : III à VI
Région(s) pratiquée(s) : sud est 1500v
Echelle(s) pratiquée(s) : H0
Contact :

Re: Re: Une gare cachée d\'un nouveau genre.(suite)

Message par cc7001 »

Moi et les arduino ; c'est pas possible malgré que je reconnaisse les possibilités des engins. Le c++ je me sens pas de l'apprendre . J'ai déjà du mal avec mes zelios et pourtant c'est que de l'électricité .
Evidemment si un bienfaiteur me fournit les engins programmés clé en main et qu'il ne reste qu'à mettre sous tension ; là on peut discuter ;)
Avatar du membre
cc7001
Sybic
Sybic
Messages : 1818
Enregistré le : 09 sept. 2010 15:49
Localisation : rhône
Epoque(s) : III à VI
Région(s) pratiquée(s) : sud est 1500v
Echelle(s) pratiquée(s) : H0
Contact :

Re: Re: Une gare cachée d\'un nouveau genre.(suite)

Message par cc7001 »

IMG_8424.JPG
Et voilà la vue d'origine du coffret ouvert; moulte fois modifié pour suivre les délires du concepteur. Il vit ses derniers instants avant une dépose des relais bistables (pour mettre les cantons au rouge et asservir les cantons entre eux) du condensateur (pour commander l'aiguille d'entrée en gare) et du câblage à reprendre entre la face avant ; ses boutons et le futur module programmable qui attend un peu plus loin sur la gauche . (Pas visible mais çà viendra :lol:)
Avatar du membre
Tibrus
Modérateur
Modérateur
Messages : 9828
Enregistré le : 31 mai 2008 08:23
Localisation : Dans mon sous-sol
Epoque(s) : IV, V et VI
Région(s) pratiquée(s) : Un penchant pour Rhone Alpes
Echelle(s) pratiquée(s) : H0
Contact :

Re: Re: Une gare cachée d\'un nouveau genre.(suite)

Message par Tibrus »

A ce concepteur, il délire complet :lol: :lol: :lol:

Et bien attendons de voir cela effectivement ......
Avatar du membre
cc7001
Sybic
Sybic
Messages : 1818
Enregistré le : 09 sept. 2010 15:49
Localisation : rhône
Epoque(s) : III à VI
Région(s) pratiquée(s) : sud est 1500v
Echelle(s) pratiquée(s) : H0
Contact :

Re: Une gare cachée d\'un nouveau genre.(suite)

Message par cc7001 »

Et bien c'est fait ; il aura fallu se battre avec une erreur de câblage ; les temps de cycle automate et un mauvais choix de tempo qui a provoqué des déraillements incompréhensibles en entrée de la gare cachée ; mais c'est bon çà marche ; l'automate compte les trains qui rentrent et sortent et l'indique sur l'afficheur intégré. Autant dire que je suis trop content. :lol: Reste à refaire la face avant du tco pour être conforme et le bazar sera TQC .
Avatar du membre
Tibrus
Modérateur
Modérateur
Messages : 9828
Enregistré le : 31 mai 2008 08:23
Localisation : Dans mon sous-sol
Epoque(s) : IV, V et VI
Région(s) pratiquée(s) : Un penchant pour Rhone Alpes
Echelle(s) pratiquée(s) : H0
Contact :

Re: Re: Une gare cachée d\'un nouveau genre.(suite)

Message par Tibrus »

Ok et maintenant je voudrais savoir le nombre de train voyageurs ou de fret ou autorail présent dans la gare cachée :lol: :lol: :lol: :lol:

Bien joué dit donc et j'imagine comme tu as du te faire des noeuds au cerveau pour comprendre et trouver ces petites erreurs ^-^
Avatar du membre
cc7001
Sybic
Sybic
Messages : 1818
Enregistré le : 09 sept. 2010 15:49
Localisation : rhône
Epoque(s) : III à VI
Région(s) pratiquée(s) : sud est 1500v
Echelle(s) pratiquée(s) : H0
Contact :

Re: Re: Une gare cachée d\'un nouveau genre.(suite)

Message par cc7001 »

L'automate sait compter les trains mais pas les types de trains surtout qu'il ne compte que le premier essieu qu'il détecte. J'ai mon ardoise magique pour savoir qui est où comme ils sont à la queue leu leu.
Cà me permet aussi de choisir celui que je veux sortir mais il faut rester humble ; çà serait top si je savais automatiquement le type et l'ordre de la meute.
Je pensais pas que la détection serait autant source de problèmes ; genre le temps d'appui sur les pédales de commande par rapport au temps de scrutation du module.
La pire connerie a été de ne pas penser que le câblage antérieur commandait directement l'aiguille. Câblage différent en 2024 avec les infos qui sont totalement différenciées entre le 24vcc pour les entrées et le 16vac pour les sorties de commandes de l'aiguille.
Et bien sûr j'ai complètement oublié depuis 2010 que j'avais économisé un fil qui allait du coffret à l'entrée de la gare cachée.
J'avais même soigneusement caché le pont dans une gaine pour faire propre. Et retirer un fil de 4m sous le réseau en 2024 ; c'est du sport .
Avatar du membre
cc7001
Sybic
Sybic
Messages : 1818
Enregistré le : 09 sept. 2010 15:49
Localisation : rhône
Epoque(s) : III à VI
Région(s) pratiquée(s) : sud est 1500v
Echelle(s) pratiquée(s) : H0
Contact :

Re: Re: Une gare cachée d\'un nouveau genre.(suite)

Message par cc7001 »

Et cerise sur le gâteau ; l'automate utilisé à des entrées (6) et des sorties (5) disponibles; juste assez pour commander la deuxième gare cachée à deux voies côte à côte.
C'est ma gare cachée d'origine ; qui est passée d'une à deux voies et finalement je pense pouvoir la passer sur le module.
Fonctionnement : le premier train orientera les aiguilles vers la voie 1 . Il s'arrêtera sur cette voie. Le deuxième fera de même sur la voie 2. Le troisième évitera la gare et libèrera un des deux trains aléatoirement . le train suivant viendra se garer sur la place libre et ainsi de suite.
On peut maintenir un train ou les deux arrêtés; les autres les doublent. Et on peut forcer les trains à sortir alternativement.
On pourrait même les faire sortir selon un horaire ; comme s'ils étaient partis longtemps.
Et tout çà avec le même petit module; sans rajouter quoi que ce soit hormis les deux ou trois interrupteurs qui donneront des infos à l'automate pour qu'il respecte les consignes.
je ferais passer le schéma de câblage si des gens sont intéressés.Image
On peut aussi utiliser un module plus modeste donc moins cher style sr2b201bd de schneider.
supervision gares cachées.pdf
(189.64 Kio) Téléchargé 210 fois
Avatar du membre
cc7001
Sybic
Sybic
Messages : 1818
Enregistré le : 09 sept. 2010 15:49
Localisation : rhône
Epoque(s) : III à VI
Région(s) pratiquée(s) : sud est 1500v
Echelle(s) pratiquée(s) : H0
Contact :

Re: Re: Une gare cachée d\'un nouveau genre.(suite)

Message par cc7001 »

Finalement le programme est un peu différent ; deux trains arrivent et se garent chacun sur une des voies cachées ; le 3e train évite la gare et libère le 1er train et un 4e train évite lui aussi la gare et libère le 2e train.
On peut bloquer les trains sur les voies cachées la voie non bloquée est libérée par le train suivant qui l'évite.
J'ai rajouté une option qui arrête alternativement les trains sur la voie cachée libre ce qui libère celui en voie occupée et inversement.
L'ajout de l'automate ouvre des possibilités non négligeables et tout çà sans changer le moindre fil de câblage.
Je pourrais même maintenir les trains cachés pendant une plage horaire ; mais ceci est une autre histoire. :D
Il aura fallu 40 ans pour me séparer de mes chers relais mais je ne le regrette pas.
Répondre